Shandong Hyupshin Flanges Co., Ltd produce ANSI B16.5 flanges, B16.47 flanges, AWWA C207 flanges, BS 4504 flanges, BS T/D flanges, DIN flanges, EN 1092-1 flanges, JIS flanges, GOST 12820-80 flanges, GOST 12821-80 flanges, SABS 1123 flanges, SANS 1123 flanges, UNI flanges, KS B1503 flanges, ISO 7005 flanges, NS flanges, AS flanges, Korean KS mark flanges, Korean KS certificate flanges, carbon steel, stainless steel, mild steel, forging flanges, forged flanges, galvanizing flangesShandong Hyupshin Flanges Co., Ltd, Slip On flanges, Slip On FF flange, Slip On RF flanges, SOFF flanges, SORF flanges, Welding Neck flanges, Weld Neck flanges, Welded Neck flanges, WNRF flanges, Blind flanges, Blank flanges, Plate flanges, Flat flanges, FF flanges, Slip on Bossed flanges, Plain flanges, Plane flanges, Raised Face flanges, Flat Face flanges, Threaded flanges, Screwed flanges, Loose flanges, Lapped flanges, Lap Joint flanges, LJ flanges, Socket Weld flanges, SW flanges, BS PT flanges, BS PT threaded screwed flanges, 150lbs flanges, 300lbs flanges, 600lbs flanges, PN6 flanges, PN10 flanges, PN16 flanges, PN25 flanges, PN40 flanges, 5K flanges, 10K flanges, 16K flanges, 20K flanges, 30K flanges, 40K flanges, SOP FF flanges, SOP RF flanges, SO HUB flanges, SOH flanges, SOH RF flanges, SOH FF flanges, SS400 flanges, SF440A flanges, SF390A flanges, C22.8 flanges, A105 flanges, S235JRG2 flanges, RST37-2 flanges, SA A105N flanges, RST37.2 flanges, P235GH flanges, P245GH flanges, P250GH flanges, P265GH flanges, Q235B flanges, A36 flanges, A350 LF flanges, 20# steel flanges, 16Mn flanges, 20Mn flanges  
Bookmark | Contacts | Privacy Policy
Enquiry: sale@hyupshin.cn
 
Shandong Hyupshin Flanges Co., Ltd supply ANSI B16.5 FLANGES, ASME B16.5 FLANGES, ASA B16.5 FLANGES, DIN Flanges (DIN2573, DIN2576, DIN2527, DIN2641, DIN2642, DIN2631, DIN2632, DIN2633, DIN2634, DIN2635, DIN2501, DIN2502, DIN2503, DIN86030, DIN86044) , Italian UNI Flanges (UNI2276, UNI2277, UNI2278, UNI6083, UNI6084, UNI2280, UNI2281, UNI2282, UNI2283, UNI2284, UNI2253, UNI2254, UNI6091, UNI6092, UNI6093, UNI6094, UNI6095, UNI6088, UNI6089, UNI6090), European Norms EN 1092-1 Flanges (TYPE 01/A, TYPE 01/B1, TYPE 02, TYPE 05, TYPE 11, TYPE 12, TYPE 13), JIS B2220 Flanges, Korean KS B1503 Flanges, BS 4504 Flanges, BS 10 Flanges, BS T/D Flanges, BS T/E Flanges, South African SABS 1123 Flanges, SANS 1123 Flanges, Russian GOST 12820-80 Flanges, GOST 12821-80 Flanges, U.S. AWWA C207 Class D Ring Flanges, Class D Hub Flanges, Class E Ring Flanges, Class E Hub Flanges, Class F Ring Flanges, Class F Hub Flanges, ISO7005-1 Flanges, ISO9624 Flanges, French NFE 29203 Flanges, Australian AS/NZS 4331.1 Flanges, AS4087 Flanges, AS2129 T/D, T/E Flanges, Norwegian NS 2545 Blind Flanges, NS 2546 Blind Flanges, NS 2547 Blind Flanges, NS 2525 Plain Flanges, NS 2526 Plain Flanges, NS 2527 Plain Flanges, NS 2529 Plain flanges, NS2537 Flange, NS2538 Flange, NS2539 Flange, NS2540 Flange, NS2542 Flange, VSM 18695 Flange, VSM 18696 Flange, VSM 18697 Flange, VSM 18716 Flange, VSM 18718 Flange, VSM 18703 Flange
HOME > PRODUCTS CENTER > DIN 2631 PN6 WELDING NECK FLANGE
DIN 2631 PN6 WELDING NECK FLANGE
Print The Page
PN6 WN FLANGE  
Raised Face (RF), Flat Face (FF)  
Shandong Hyupshin Flanges Co., Ltd, Flanges Manufacturer, Exporter, DIN2631 PN6 Flanges
Shandong Hyupshin Flanges Co., Ltd, Flanges Manufacturer, Exporter, DIN2631 PN6 Flanges
Flange Dimensions & Approximate Masses / Flange's Weight
Germany standard flange DIN 2631 welding neck flanges; nominal pressure 6
Vorschweißflansche DIN 2631 Nenndruck 6
Brides à souder à collerette DIN 2631: pression nominale 6
Pipe Flange Neck Raised face Screws Weight
(7,85 Kg/dm3)
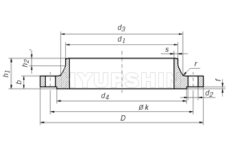
Rated d1 D b k h1 d3 s r h2 d4 f Holes Thread d2 Kg
Diameter ISO Series DIN Series
15 - 20 80 12 55 30 28 2 4 6 40 2 4 M 10 11 0,392
21,3 - 30
20 - 25 90 14 65 32 35 2,3 4 6 50 2 4 M 10 11 0,592
26,9 - 38
25 - 30 100 14 75 35 40 2,6 4 6 60 2 4 M 10 11 0,747
33,7 - 42
32 - 38 120 14 90 35 50 2,6 6 6 70 2 4 M 12 14 1,05
42,4 - 55
40 - 44,5 130 14 100 38 58 2,6 6 7 80 3 4 M 12 14 1,18
48,3 - 62
50 - 57 140 14 110 38 70 2,9 6 8 90 3 4 M 12 14 1,34
60,3 - 74
65 76,1 - 160 14 130 38 88 2,9 6 9 110 3 4 M 12 14 1,67
80 88,9 - 190 16 150 42 102 3,2 8 10 128 3 4 M 16 18 2,71
100 - 108 210 16 170 45 122 3,6 8 10 148 3 4 M 16 18 3,24
114,3 130
125 - 133 240 18 200 48 148 4 8 10 178 3 8 M 16 18 4,49
139,7 - 155
150 - 159 265 18 225 48 172 4,5 10 12 202 3 8 M 16 18 5,15
168,3 - 184
200 219,1 - 320 20 280 55 236 5,9 10 15 258 3 8 M 16 18 7,78
250 - 267 375 22 335 60 282 6,3 12 15 312 3 12 M 16 18 10,8
273 - 290
300 323,9 - 440 22 395 62 342 7,1 15 15 365 4 12 M 20 22 14
350 355,6 - 490 22 445 62 385 7,1 12 15 415 4 12 M 20 22 18,5
- 368 16,7
400 406,4 - 540 22 495 65 438 7,1 12 15 465 4 16 M 20 22 21,2
- 419 19
500 508 - 645 24 600 68 538 7,1 12 15 570 4 20 M 20 22 28,6
600 610 - 755 24 705 70 640 7,1 12 16 670 5 20 M 24 26 31,5
700 711 - 860 24 810 70 740 7,1 12 16 775 5 24 M 24 26 37,4
800 813 - 975 24 920 70 842 7,1 12 16 880 5 24 M 27 30 46,1
900 914 - 1075 26 1020 70 942 7,1 12 16 980 5 24 M 27 30 55,6
1000 1016 - 1175 26 1120 70 1045 7,1 16 16 1080 5 28 M 27 30 61,9
NOTE:
1. Facing according to DIN 2526
Flat face:
Form A, Face without any requirements
Form B, Face Rz=160, machined (not smoother than 40µm)
Raised Face:
Form C, Face Rz=160, machined (not smoother than 40µm)
Form D, Face Rz=40, machined
Form E, Face Rz=16, machined
2. Tongue and groove according to DIN 2512
Form F, Tongue
Form N, Groove
3. Male and Female according to DIN 2513, DIN 2514
Form V13, V14, Male
Form R13, R16, Female
4. Chemfering for diaphragm-weld packings, PN64-PN400, according to DIN 2695
5. Facing for lens-shaped joints, PN64-PN400, according to DIN 2696


Certificates
ISO9001-2015 TUV Rheinland for flanges manufacturing and sales
CE PED 2014/68/EU, AD2000 W0 W0, for quality assurance for flanges manufacturer of materials
CE PED 2014/68/EU, AD2000 W0 W9
ISO 9001 : 2015
Production Capacity & Purchase Details
1. Supply Flange Dimension DN15 - DN2000 (1/2" - 80"), Forged Flange.
2. Material Carbon Steel: RST37.2, C22.8, S235JR, ST37, P235GH, P245GH, P250GH, ASTM A105
3. Material Stainless Steel: ASTM A182 F304, F304L, F316, F316L, F321 etc.
4. Flanges Anti Rust: Anti Rust Oil, Black Paint, Yellow Paint Coating, Hot Dipped Galvanized, Cold Galvanized etc.
5. Monthly Output: 3000 tons per Month.
6. Delivery Terms: CIF, CFR, FOB, EXW.
7. Payment Terms: Wire Transfer (T/T), Irrevocable L/C at Sight etc.
8. Minimum Order Quantity: 1Ton or 100Pcs.
9. Quality Guarantee: EN10204 3.1 Certificate, Mill Certificate, Third Party Inspection, Free Replacement Service.
10. Find More Requirements In Flanges Market.

DIN 2631 FLANGE
Shandong Hyupshin Flanges Co., Ltd, Flanges Manufacturer, DIN flanges, UNI flanges, EN1092-1 flanges, supplier, factory
 

Search
DIN2631 PN6 WNRF Flange Manufacturer
WELDING NECK Flange Raised Face PN6
DN15-DN2000, In Stock!
SHANDONG HYUPSHIN FLANGES CO., LTD

DIN Flange Series
PLATE FLANGE
  DIN 2573 PN6 FLANGE
  DIN 2576 PN10 FLANGE
  DIN 2501 PN10 FLANGE
  DIN 2501 PN16 FLANGE
  DIN 2502 PN16 FLANGE
  DIN 2503 PN25 FLANGE
  DIN 2503 PN40 FLANGE
  DIN 2543 PN16 FLANGE
  DIN 2544 PN25 FLANGE
  DIN 2545 PN40 FLANGE
SLIP ON HUB FLANGE
  DIN 86030 PN16 FLANGE
WELDING NECK FLANGE
  DIN 2631 PN6 FLANGE hyupshin flanges
  DIN 2632 PN10 FLANGE
  DIN 2633 PN16 FLANGE
  DIN 2634 PN25 FLANGE
  DIN 2635 PN40 FLANGE
THREADED FLANGE
  DIN 2565 PN6 FLANGE
  DIN 2566 PN16 FLANGE
BLIND FLANGE
  DIN 2527 PN6 FLANGE
  DIN 2527 PN10 FLANGE
  DIN 2527 PN16 FLANGE
  DIN 2527 PN25 FLANGE
  DIN 2527 PN40 FLANGE
LOOSE FLANGE AND RINGS
  DIN 2641 PN6 FLANGE
  DIN 2642 PN10 FLANGE
DIN 2673 PN10 FLANGE AND COLLAR
STEEL MATERIAL REQUIREMENTS
   
Shandong Hyupshin Flanges Co., Ltd, Carbon Steel Flanges, Forged Flanges, Pipe Flanges, Ship Flanges, Project Flanges, Water Works Flanges, Oil Flanges, Power Flanges, Petroleum Flanges, Industrial Flanges, Gas Flanges, Anti Rust Flanges, Manufacturer, Exporter
 

Calculator
RSLT

Hot Products
ANSI, ASME, ASA B 16.5 FLANGES
JIS B 2220 FLANGES
KS B 1503 FLANGES
DIN FLANGES
UNI FLANGES
EN 1092-1/01 PN6-PN40 FLANGES
BS 4504 FLANGES
BS 10 T/D, T/E, T/F FLANGES
GOST 12820-80 FLANGES
GOST 12821-80 FLANGES
SABS / SANS 1123 FLANGES
AS 2129 FLANGES, AS 4087 FLANGES
ISO 9624 FLANGES, ISO7005-1 FLANGES
NFE 29203 FLANGES, NS FLANGES
KS B 1522/1541/1543 ELBOWS
BS4504 PN16 SLIP ON FLANGE RF
ANSI B16.5 150# SLIP ON FLANGE RF
ANSI B16.5 CLASS 150 WNRF FLANGE
DIN2632, 2633, 2634 2635 WNRF
EN1092-1/11 PN6-PN40 FLANGE
SABS / SANS 1123 1000/3 FLANGES
   
Shandong Hyupshin Flanges Co., Ltd, Carbon Steel Flanges, Forged Flanges, Pipe Flanges, Ship Flanges, Project Flanges, Water Works Flanges, Oil Flanges, Power Flanges, Petroleum Flanges, Industrial Flanges, Gas Flanges, Anti Rust Flanges, Manufacturer, Exporter
 

Hot Flange's Exporting Leads
   
Shandong Hyupshin Flanges Co., Ltd, Carbon Steel Flanges, Forged Flanges, Pipe Flanges, Ship Flanges, Project Flanges, Water Works Flanges, Oil Flanges, Power Flanges, Petroleum Flanges, Industrial Flanges, Gas Flanges, Anti Rust Flanges, Manufacturer, Exporter
 

E-mail
Support
Flanges Standards
Flange's Standards
Hyupshin Flanges
Learn More »
Flanges Standards
Flange's Materials
Hyupshin Flanges
Learn More »
Flanges Standards
Certification
Hyupshin Flanges
Learn More »
Flanges Standards
Service
Hyupshin Flanges
Learn More »
Flanges Standards
Manufacture & Inspection
Hyupshin Flanges
Learn More »
 
Contact Us

 
Links
 
Why Hyupshin Flanges?
 

Shandong Hyupshin Flanges Co., Ltd

Pingpu Road, Niupai, Mingshui,
Zhangqiu City, Shandong,
China, 250200

Tel: +86 531 83297728-8001
Fax: +86 531 83297728-8007

Email:sale@hyupshin.cn
http://www.hsflanges.com
Home Page
About Us
Products Center
Certificates
Technology
Services
Flanges Gallery
Company's Blog
Contact Us
Flanges Market
한국의
Русский
中文版
Competitive Prices
A Variety of Certification
Good Quality
Short Delivery Time
Fast Shipping Docs Sending
Heat Number Tracking
Problem Flange Free Replaced
All Norms of Flange Providing
Follow Us
Facebook  Twitter  LinkedIn  Google Plus  Skype 
 
  Copyright © 2010- Shandong Hyupshin Flanges Co., Ltd All Rights Reserved.
Online Service
WeChat Scan and chat Add Wechat ID
Company QQ 1606229856
WhatsApp +8613969085317
Telephone 0086-531-83297728-8001
+86-156 8888 6123
Fax 0086-531-83297728-8007
E-Mail sale@hyupshin.cn