Shandong Hyupshin Flanges Co., Ltd produce ANSI B16.5 flanges, B16.47 flanges, AWWA C207 flanges, BS 4504 flanges, BS T/D flanges, DIN flanges, EN 1092-1 flanges, JIS flanges, GOST 12820-80 flanges, GOST 12821-80 flanges, SABS 1123 flanges, SANS 1123 flanges, UNI flanges, KS B1503 flanges, ISO 7005 flanges, NS flanges, AS flanges, Korean KS mark flanges, Korean KS certificate flanges, carbon steel, stainless steel, mild steel, forging flanges, forged flanges, galvanizing flangesShandong Hyupshin Flanges Co., Ltd, Slip On flanges, Slip On FF flange, Slip On RF flanges, SOFF flanges, SORF flanges, Welding Neck flanges, Weld Neck flanges, Welded Neck flanges, WNRF flanges, Blind flanges, Blank flanges, Plate flanges, Flat flanges, FF flanges, Slip on Bossed flanges, Plain flanges, Plane flanges, Raised Face flanges, Flat Face flanges, Threaded flanges, Screwed flanges, Loose flanges, Lapped flanges, Lap Joint flanges, LJ flanges, Socket Weld flanges, SW flanges, BS PT flanges, BS PT threaded screwed flanges, 150lbs flanges, 300lbs flanges, 600lbs flanges, PN6 flanges, PN10 flanges, PN16 flanges, PN25 flanges, PN40 flanges, 5K flanges, 10K flanges, 16K flanges, 20K flanges, 30K flanges, 40K flanges, SOP FF flanges, SOP RF flanges, SO HUB flanges, SOH flanges, SOH RF flanges, SOH FF flanges, SS400 flanges, SF440A flanges, SF390A flanges, C22.8 flanges, A105 flanges, S235JRG2 flanges, RST37-2 flanges, SA A105N flanges, RST37.2 flanges, P235GH flanges, P245GH flanges, P250GH flanges, P265GH flanges, Q235B flanges, A36 flanges, A350 LF flanges, 20# steel flanges, 16Mn flanges, 20Mn flanges  
Bookmark | Contacts | Privacy Policy
Enquiry: sale@hyupshin.cn
 
Shandong Hyupshin Flanges Co., Ltd supply ANSI B16.5 FLANGES, ASME B16.5 FLANGES, ASA B16.5 FLANGES, DIN Flanges (DIN2573, DIN2576, DIN2527, DIN2641, DIN2642, DIN2631, DIN2632, DIN2633, DIN2634, DIN2635, DIN2501, DIN2502, DIN2503, DIN86030, DIN86044) , Italian UNI Flanges (UNI2276, UNI2277, UNI2278, UNI6083, UNI6084, UNI2280, UNI2281, UNI2282, UNI2283, UNI2284, UNI2253, UNI2254, UNI6091, UNI6092, UNI6093, UNI6094, UNI6095, UNI6088, UNI6089, UNI6090), European Norms EN 1092-1 Flanges (TYPE 01/A, TYPE 01/B1, TYPE 02, TYPE 05, TYPE 11, TYPE 12, TYPE 13), JIS B2220 Flanges, Korean KS B1503 Flanges, BS 4504 Flanges, BS 10 Flanges, BS T/D Flanges, BS T/E Flanges, South African SABS 1123 Flanges, SANS 1123 Flanges, Russian GOST 12820-80 Flanges, GOST 12821-80 Flanges, U.S. AWWA C207 Class D Ring Flanges, Class D Hub Flanges, Class E Ring Flanges, Class E Hub Flanges, Class F Ring Flanges, Class F Hub Flanges, ISO7005-1 Flanges, ISO9624 Flanges, French NFE 29203 Flanges, Australian AS/NZS 4331.1 Flanges, AS4087 Flanges, AS2129 T/D, T/E Flanges, Norwegian NS 2545 Blind Flanges, NS 2546 Blind Flanges, NS 2547 Blind Flanges, NS 2525 Plain Flanges, NS 2526 Plain Flanges, NS 2527 Plain Flanges, NS 2529 Plain flanges, NS2537 Flange, NS2538 Flange, NS2539 Flange, NS2540 Flange, NS2542 Flange, VSM 18695 Flange, VSM 18696 Flange, VSM 18697 Flange, VSM 18716 Flange, VSM 18718 Flange, VSM 18703 Flange
HOME > PRODUCTS CENTER > EN 1092-1 TYPE 13 THREADED FLANGE
EN 1092-1 TYPE 13 THREADED FLANGE
Print The Page
EN1092-1/13 PN6 PN16 SCREWED FLANGE  
RAISED FACE (RF) -B (B1 B2), FLAT FACE (FF) - A  
Shandong Hyupshin Flanges Co., Ltd, Flanges Manufacturer, Exporter, EN1092-1 Type 13 flanges
Shandong Hyupshin Flanges Co., Ltd, Flanges Manufacturer, Exporter, EN1092-1 Type 13 flanges

Flange Dimensions & Approximate Masses / Flange's Weight
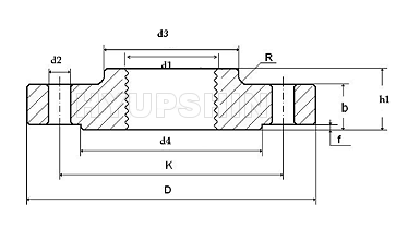
EN 1092-1 TYPE 13 PN6 THREADED FLANGE
Rated Diameter Flange Neck Raised face Screws

Weight
(7,85 Kg/dm3)

d1 Thread k D b h1 d3 d4 f d2 Thread Bolt holes KG
15 21,3 R 1/2" 55 80 12 20 30,0 40,0 2,0 11 M10 4 0,373
20 26,9 R 3/4" 65 90 14 24 40,0 50,0 2,0 11 M10 4 0,584
25 33,7 R 1" 75 100 14 24 50,0 60,0 2,0 11 M10 4 0,729
32 42,4 R 1-1/4" 90 120 14 26 60,0 70,0 2,0 14 M12 4 1,040
40 48,3 R 1-1/2" 100 130 14 26 70,0 80,0 3,0 14 M12 4 1,200
50 60,3 R 2" 110 140 14 28 80,0 90,0 3,0 14 M12 4 1,340
65 76,1 R 2-1/2" 130 160 14 32 100,0 110,0 3,0 14 M12 4 1,830
80 88,9 R 3" 150 190 16 34 110,0 128,0 3,0 18 M16 4 2,750
100 114,3 R 4" 170 210 16 40 130,0 148,0 3,0 18 M16 4 3,010
125 139,7 R 5" 200 240 18 44 160,0 178,0 3,0 18 M16 8 4,300
150 168,3 R 6" 225 265 18 44 185,0 202,0 3,0 18 M16 8 4,630
1. SURFACE FINISH FACING TYPES A, B1, B2 etc
2. FLANGE MARKING: LOGO EN 1092-1 / 13 / DN100 / PN6 / P245GH / HEAT NUMBER

EN 1092-1 TYPE 13 PN16 THREADED FLANGE
Rated Diameter Flange Neck Raised face Screws

Weight
(7,85 Kg/dm3)

d1 Thread k D b h1 d3 d4 f d2 Thread Bolt holes KG
15 21,3 R 1/2" 65 95 16 22 35,0 45,0 2,0 14 M12 4 0,722
20 26,9 R 3/4" 75 105 18 26 45,0 58,0 2,0 14 M12 4 1,040
25 33,7 R 1" 85 115 18 28 52,0 68,0 2,0 14 M12 4 1,250
32 42,4 R 1-1/4" 100 140 18 30 60,0 78,0 2,0 18 M16 4 1,810
40 48,3 R 1-1/2" 110 150 18 32 70,0 88,0 3,0 18 M16 4 2,060
50 60,3 R 2" 125 165 18 28 84,0 102,0 3,0 18 M16 4 2,390
65 76,1 R 2-1/2" 145 185 18 32 104,0 122,0 3,0 18 M16 4 2,970
80 88,9 R 3" 160 200 20 34 118,0 138,0 3,0 18 M16 8 3,780
100 114,3 R 4" 180 220 20 40 140,0 158,0 3,0 18 M16 8 4,380
125 139,7 R 5" 210 250 22 44 168,0 188,0 3,0 18 M16 8 6,070
150 168,3 R 6" 240 285 22 44 195,0 212,0 3,0 22 M20 8 7,240
1. SURFACE FINISH FACING TYPES A, B1, B2 etc
2. FLANGE MARKING: LOGO EN 1092-1 / 13 / DN100 / PN16 / P245GH / HEAT NUMBER
Certificates
ISO9001-2015 TUV Rheinland for flanges manufacturing and sales
CE PED 2014/68/EU, AD2000 W0 W0, for quality assurance for flanges manufacturer of materials
CE PED 2014/68/EU, AD2000 W0 W9
ISO9001:2015
UKCA PER 2016
     
Production Capacity & Purchase Details
1. Supply Flange Dimension DN15 - DN2000 (1/2" - 80"), Forged Flange.
2. Material Carbon Steel: P235GH, P245GH, P250GH, RST37.2, C22.8, S235JR, ST37, ASTM A105
3. Material Stainless Steel: ASTM A182 F304, F304L, F316, F316L, F321 etc.
4. Flanges Anti Rust: Anti Rust Oil, Black Paint, Yellow Paint Coating, Hot Dipped Galvanized, Cold Galvanized etc.
5. Monthly Output: 3000 tons per Month.
6. Delivery Terms: CIF, CFR, FOB, EXW.
7. Payment Terms: Wire Transfer (T/T), Irrevocable L/C at Sight etc.
8. Minimum Order Quantity: 1Ton or 100Pcs.
9. Quality Guarantee: EN10204 3.1 Certificate, Mill Certificate, Third Party Inspection, Free Replacement Service.
10. Find More Requirements In Flanges Market.



EN1092-1 TYPE 13 FLANGES
Shandong Hyupshin Flanges Co., Ltd, Flanges Manufacturer, DIN flanges, UNI flanges, EN1092-1 flanges, supplier, factory
 

Search
EN 1092-1/13 Flange DN15-DN150 Manufacturer
Threaded Flange, Screwed Flange
PN6 PN16 Threaded Screwed Flanges In Stock!
SHANDONG HYUPSHIN FLANGES CO., LTD

EN1092-1 FLANGES SERIES
PLATE FLANGE
  TYPE 01 PN6
  TYPE 01 PN10
  TYPE 01 PN16
  TYPE 01 PN25
  TYPE 01 PN40
WELDING NECK FLANGE
  TYPE 11 PN6
  TYPE 11 PN10
  TYPE 11 PN16
  TYPE 11 PN25
  TYPE 11 PN40
THREADED FLANGE hyupshin flanges
  TYPE 13 PN6
  TYPE 13 PN16
BLIND FLANGE
  TYPE 05 PN6
  TYPE 05 PN10
  TYPE 05 PN16
  TYPE 05 PN25
  TYPE 05 PN40
LOOSE FLANGE
  TYPE 02 PN6
  TYPE 02 PN10
  TYPE 02 PN16
SLIP ON BOSSED FLANGE
  TYPE 12 PN6 PN10 PN16 PN25 PN40
STEEL MATERIAL REQUIREMENTS
 
Shandong Hyupshin Flanges Co., Ltd, Carbon Steel Flanges, Forged Flanges, Pipe Flanges, Ship Flanges, Project Flanges, Water Works Flanges, Oil Flanges, Power Flanges, Petroleum Flanges, Industrial Flanges, Gas Flanges, Anti Rust Flanges, Manufacturer, Exporter
 

Calculator
RSLT

Hot Products
ANSI, ASME, ASA B 16.5 FLANGES
JIS B 2220 FLANGES
NFE 29203 FLANGES, NS FLANGES
KS B 1522/1541/1543 ELBOWS
BS4504 PN16 SLIP ON FLANGE RF
ANSI B16.5 150# SLIP ON FLANGE RF
ANSI B16.5 CLASS 150 WNRF FLANGE
DIN2632, 2633, 2634 2635 WNRF
EN1092-1/11 PN6-PN40 FLANGE
SABS / SANS 1123 1000/3 FLANGES
   
Shandong Hyupshin Flanges Co., Ltd, Carbon Steel Flanges, Forged Flanges, Pipe Flanges, Ship Flanges, Project Flanges, Water Works Flanges, Oil Flanges, Power Flanges, Petroleum Flanges, Industrial Flanges, Gas Flanges, Anti Rust Flanges, Manufacturer, Exporter
 

Hot Flange's Exporting Leads
   
Shandong Hyupshin Flanges Co., Ltd, Carbon Steel Flanges, Forged Flanges, Pipe Flanges, Ship Flanges, Project Flanges, Water Works Flanges, Oil Flanges, Power Flanges, Petroleum Flanges, Industrial Flanges, Gas Flanges, Anti Rust Flanges, Manufacturer, Exporter
 

E-mail
Support
Flanges Standards
Flange's Standards
Hyupshin Flanges
Learn More »
Flanges Standards
Flange's Materials
Hyupshin Flanges
Learn More »
Flanges Standards
Certification
Hyupshin Flanges
Learn More »
Flanges Standards
Service
Hyupshin Flanges
Learn More »
Flanges Standards
Manufacture & Inspection
Hyupshin Flanges
Learn More »
 
Contact Us

 
Links
 
Why Hyupshin Flanges?
 

Shandong Hyupshin Flanges Co., Ltd

Pingpu Road, Niupai, Mingshui,
Zhangqiu City, Shandong,
China, 250200

Tel: +86 531 83297728-8001
Fax: +86 531 83297728-8007

Email:sale@hyupshin.cn
http://www.hsflanges.com
Home Page
About Us
Products Center
Certificates
Technology
Services
Flanges Gallery
Company's Blog
Contact Us
Flanges Market
한국의
Русский
中文版
Competitive Prices
A Variety of Certification
Good Quality
Short Delivery Time
Fast Shipping Docs Sending
Heat Number Tracking
Problem Flange Free Replaced
All Norms of Flange Providing
Follow Us
Facebook  Twitter  LinkedIn  Google Plus  Skype 
 
  Copyright © 2010- Shandong Hyupshin Flanges Co., Ltd All Rights Reserved.
Online Service
WeChat Scan and chat Add Wechat ID
Company QQ 1606229856
WhatsApp +8613969085317
Telephone 0086-531-83297728-8001
+86-156 8888 6123
Fax 0086-531-83297728-8007
E-Mail sale@hyupshin.cn