| UNI 2284 PN40 WELDING NECK FLANGE |
|
| PN40 WNRF FLANGE |
|
| RAISED FACE (RF), FLAT FACE (FF) |
|
|
 |
|
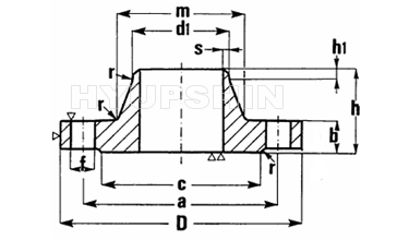
| Flange Dimensions & Approximate Masses / Flange's Weight |
| ITALY STANDARD UNI 2284 PN40 WELDING NECK FLANGE RF DIMENSIONS TABLE |
| Directions for the designation |
d1 |
a |
b |
D |
f |
h |
h1 |
m |
r |
s |
Holes |
Screws |
Weight* |
Rated
Diameter |
External diameter
of the pipe |
Kg |
| 15 |
20 |
21 |
65 |
16 |
95 |
14 |
38 |
6 |
30 |
4 |
2,5 |
4 |
M 12 |
0,83 |
| 21,3 |
22,5 |
32 |
0,83 |
| 20 |
25 |
26 |
75 |
18 |
105 |
14 |
40 |
6 |
38 |
4 |
2,5 |
4 |
M 12 |
1,15 |
| 26,9 |
28 |
40 |
1,15 |
| 25 |
30 |
31 |
85 |
18 |
115 |
14 |
40 |
6 |
42 |
4 |
2,8 |
4 |
M 12 |
1,39 |
| 33,7 |
34,5 |
46 |
1,38 |
| 32 |
38 |
39 |
100 |
18 |
140 |
18 |
42 |
6 |
52 |
6 |
3 |
4 |
M 16 |
2,03 |
| 42,4 |
43,5 |
56 |
2,01 |
| 40 |
44,5 |
45,5 |
110 |
18 |
150 |
18 |
45 |
7 |
60 |
6 |
3 |
4 |
M 16 |
2,35 |
| 48,3 |
49,5 |
64 |
2,33 |
| 50 |
57 |
58 |
125 |
20 |
165 |
18 |
48 |
8 |
72 |
6 |
3,5 |
4 |
M 16 |
3,11 |
| 60,3 |
61,5 |
75 |
3.08 |
| 65 |
76,1 |
77 |
145 |
22 |
185 |
18 |
52 |
10 |
90 |
6 |
3,5 |
8 |
M 16 |
3,95 |
| 80 |
88,9 |
90 |
160 |
24 |
200 |
18 |
58 |
12 |
105 |
8 |
3,7 |
8 |
M 16 |
4,98 |
| 100 |
108 |
109 |
190 |
24 |
235 |
22 |
65 |
12 |
128 |
8 |
3,7 |
8 |
M 20 |
6,85 |
| 114,3 |
115,5 |
134 |
6,70 |
| 125 |
133 |
134 |
220 |
26 |
270 |
25 |
68 |
12 |
155 |
8 |
4 |
8 |
M 22 |
9,42 |
| 139,7 |
141 |
162 |
9,20 |
| 150 |
159 |
161 |
250 |
28 |
300 |
25 |
75 |
12 |
182 |
10 |
5 |
8 |
M 22 |
12,4 |
| 168,3 |
170,5 |
192 |
12,0 |
| 175 |
193,7 |
195,5 |
295 |
32 |
350 |
30 |
82 |
15 |
218 |
10 |
5,5 |
12 |
M 27 |
17,6 |
| 200 |
219,1 |
221 |
320 |
34 |
375 |
30 |
88 |
16 |
244 |
12 |
5,5 |
12 |
M 27 |
20,8 |
| 250 |
267 |
269 |
385 |
38 |
450 |
33 |
105 |
18 |
298 |
12 |
6,5 |
12 |
M 30 |
34,3 |
| 273 |
275 |
306 |
33,8 |
| 300 |
323,9 |
326 |
450 |
42 |
515 |
33 |
115 |
18 |
362 |
12 |
7,3 |
16 |
M 30 |
47,4 |
| 350 |
355,6 |
357,5 |
510 |
46 |
580 |
36 |
125 |
20 |
408 |
12 |
8 |
16 |
M 33 |
69,0 |
| 368 |
370 |
65,0 |
| 400 |
406,4 |
408,5 |
585 |
50 |
660 |
39 |
135 |
20 |
462 |
12 |
9 |
16 |
M 36 x 3 |
96,5 |
| 419 |
421 |
91,6 |
| 450 |
457,2 |
459 |
610 |
50 |
685 |
39 |
135 |
20 |
500 |
12 |
9 |
20 |
M 36 x 3 |
91,6 |
| 500 |
508 |
510 |
670 |
52 |
755 |
42 |
140 |
20 |
562 |
12 |
10 |
20 |
M 39 x 3 |
117 |
| * |
The weight is approximate and calculated on base 7.85 Kg/dm3 |
|
|
|
|
CE PED 2014/68/EU, AD2000 W0 W9 |
ISO 9001 : 2015 |
|
|
| Production Capacity & Purchase Details |
|
|
| 1. |
Supply Flange Dimension DN15 - DN2000 (1/2" - 80"), Forged Flange. |
| 2. |
Material Carbon Steel: RST37.2, C22.8, S235JR, ST37, C21, P235GH, P245GH, P250GH, ASTM A105 |
| 3. |
Material Stainless Steel: ASTM A182 F304, F304L, F316, F316L, F321 etc. |
| 4. |
Flanges Anti Rust: Anti Rust Oil, Black Paint, Yellow Paint Coating, Hot Dipped Galvanized, Cold Galvanized etc. |
| 5. |
Monthly Output: 3000 tons per Month. |
| 6. |
Delivery Terms: CIF, CFR, FOB, EXW. |
| 7. |
Payment Terms: Wire Transfer (T/T), Irrevocable L/C at Sight etc. |
| 8. |
Minimum Order Quantity: 1Ton or 100Pcs. |
| 9. |
Quality Guarantee: EN10204 3.1 Certificate, Mill Certificate, Third Party Inspection, Free Replacement Service. |
| 10. |
Find More Requirements In Flanges Market. |
|